糖心vlog

产品中心

首页 > 产品中心> 消防排烟系列糖心vlog

消防排烟系列糖心vlog

HTF(A)系列消防高温排烟轴流糖心vlog

产品名称: HTF(A)系列消防高温排烟轴流糖心vlog

广泛应用于高层建筑、烘房、地下车库、地铁、隧道等场合消防排烟和送排通风

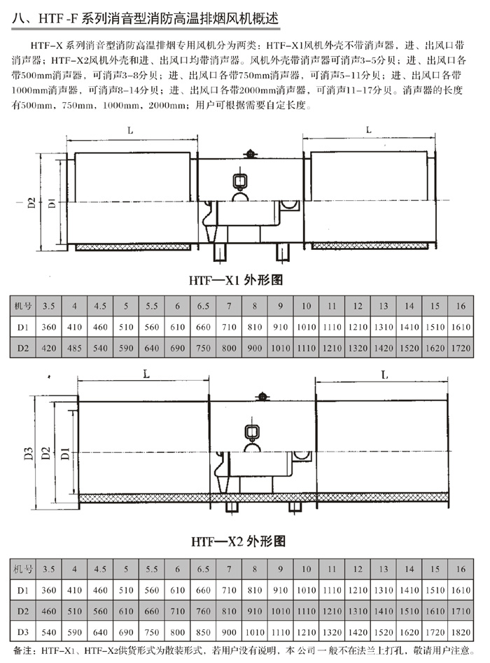
详细信息:

一、特性及应用

HTF系列糖心vlog 设计独特:高温电机全封闭内置,配设专门的电机冷却系统,采用CAD软件多目标优化设计的轴流和混流叶轮结构,通过多速驱动形式,达到一机两用(即常用送排通风和消防试用时高温排烟),配设电控箱后可远程自动控制、具有耐高温性能良好、效率高、体积小,安装简便(水平、垂直、吊装均可)等优点。按GBJ500-45-95消防规范测试标准测定,能在400℃高温条件下连续运行100分钟以上,介质温度100℃条件下,连续运行20小时/次不损坏,已被全国各大城市消防部门认可采用。

产品详情


糖心-糖心vlog官网-记录美好生活甜蜜的瞬间 糖心-糖心vlog官网-记录美好生活甜蜜的瞬间 糖心-糖心vlog官网-记录美好生活甜蜜的瞬间 糖心-糖心vlog官网-记录美好生活甜蜜的瞬间 糖心-糖心vlog官网-记录美好生活甜蜜的瞬间